Наиболее популярные двигатели LIFAN имеют стандартный выходной вал типа S, диаметром 20 мм (двигатели поменьше, типа 168F-2, до 8.5 л.с.) или 25 мм. (двигатели покрупнее и помощнее, от 9 л.с.. например 190F - 15 л.с.).
Стандартный вал диаметром 20 мм, типа S. Пример - двигатели 168F-2, 170FB, 170FT, KP230.
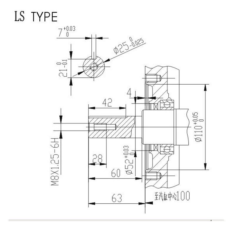
Стандартный вал типа S, диаметром 25 мм. Пример - двигатели 190F (15 л.с.), 192F (17 л.с.), 192F-2 (18.5 л.с.), KP420 (16 л.с.), KP460 (20 л.с.), NP445 (17 л.с.), NP460 (18.5 л.с.), двухцилиндровые двигатели 2V80, 2V78.